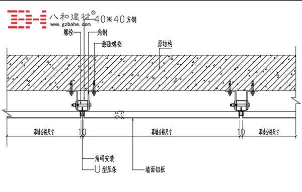
幕墻鋁單板安裝放線正確的關鍵
每一座城市都有自己的標志建筑,建筑幕墻是建筑的重要表皮,表現了一個建筑外在的外型、顏色和質感;同時又承當著重要的功用,如為修建供給包括靜力學、隔熱、隔音、隔潮及外形漂亮等一系列的功用。
幕墻鋁單板既然是建筑的最直接表現,安裝的效果就需要特別關鍵,在幕墻鋁單板安裝時施工放線是要十分謹慎的作業,需要注意的事項有:
一、土建施工差錯較大,鋁單板安裝工程要求精度很高,不能完全依靠土建水平基準線,必須由基準軸線和水準點重新丈量,而且一定要校對復核。
二、幕墻鋁單板安裝經緯儀向上引數條垂線,以斷定幕墻轉角位和立面尺寸。
三、依據分割線斷定后置埋件方位。
四、要按規劃圖紙在底層斷定幕墻定位線和分格線。 在放線完成后還應及時校核,以保證鋁單板幕墻筆直度及在立柱方位的正確性。
最新產品
同類文章排行
- 裝配式覆膜鋼板的八大優點
 - 覆膜鋼板詳細介紹,什么是覆膜鋼板
 - 覆膜鋼板介紹
 - 仿石紋鋁單板、陶瓷涂料鋁單板的產品性能
 - 八和建材仿石紋鋁單板、陶瓷涂料鋁單板介紹
 - 金屬裝飾面板的特點,鋁單板的優點
 - 鋁單板的生產工藝流程
 - 木紋鋁單板木紋轉印工作原理
 - 鋁單板的構造及其優異的性能介紹
 - 氟碳鋁單板幕墻天花的優點
 
最新資訊文章
您的瀏覽歷史
            






